|
非革命(LM380)アンプ |
|
|
コンデンサ大盛/100均ケース(木箱・アルミ板) |
|
ネットで「革命アンプ」や「非革命アンプ」が噂になっています。
気になっていたので、作製することに決定。
「革命」か「非革命」のどちらにするか?
やっぱり政府側(非革命)ですかね。。。(笑)
回路も単純で製作が簡単そうだし、パーツも少なく安く済みそう・・・。
メインのパワーアンプ用IC(LM380)の価格も200円以下です。真空管の1/10くらいです。

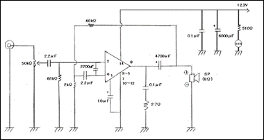
シンプルな回路です。
抵抗器は、ほとんど手持ちのものを使用することにしました。
テキトーです。負帰還抵抗の比率は同率しています。
コンデンサは、オリジナル非革命アンプより大幅に強化しています。
回路がシンプルなので、1日で一気に作り上げることができました。

大容量のでかい電解コンデンサが鎮座しています!!
フィルムコンデンサも大きい!!
裏面です。
やっぱり半田付けは難しい。ユニバーサル基板での細かい作業は苦手です。
人に見せられるようなものではありません。

細いジャンパー線は、手持ちのLANケーブルを剥いたものです。
LANケーブルの線は熱にめちゃくちゃ弱いです。半田付けには絶対に向きません!!
ケースは100均ショップ商品(ダイソー)を利用します。

木箱(180mm×120mm×80mm)とアルミ板(200mm×200mm×0.3mm)です。
2点で200円です。
木箱はサンドペーパーで絵柄を削り取ります。

ポスターカラーで色付けします。

100均の木箱なので、多少キズやひび割れがあります.
それらをパテで丁寧に補修します。
ニスを塗ると、高級感が出てきます。

アルミ板をカットします。
厚さ0.3mmのアルミ板なので、カッターで切れ目を入れて、軽く曲げると簡単に割れます。

アルミ板は、割った部分のバリをサンドペーパーで軽く取ります。
アルミ板の裏面にテープが付いていますので、簡単に木箱に貼ることができます。

穴を開ける場所をマジックペンで書き入れ、千枚通しで小さな穴を開けます。
薄い木箱と薄いアルミ板なので、簡単に千枚通しで貫通します。
穴を開け加工です。
薄い板(約2mm)に薄いアルミ板(0.3mm)を張っただけなので、簡単に穴を開けることができます。
側面の板は、厚さが約5mmですが、めちゃくちゃ柔らかい木材です。

約1時間で完了。
配線しながらパーツを取り付けます。

右上のユニバーサル基板(切れ端)は、パイロットランプ(LED)の点灯ための抵抗1個(510Ω)が付いています。
セット完了。

恐る恐るスイッチON。
一発で正常に音が出ました。単純な回路なので、当然か・・・。
100均商品ではありますが、やっぱり木材は高級感があります。

■視聴結果■
素晴らしい。驚きです。LM380の実力は凄いです。
大盛のコンデンサの効果か・・・!?
今まで真空管にこだわっていたのが、悲しいくらいです。
■終わりに■
今回のアンプの製作費は、5,000円未満です。それで、この音質!!コストパフォーマンスは抜群です。
100均(ダイソー)スピーカーもなかなかのものです。相性もばっちりです。
音質・外観とも大満足です。
今後、これがメイン機になりそうです。
【作製記録】