村上や

“TOP”へMC900432676[1]

ニュース

 

2021124

 

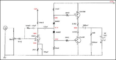
完成した真空管アンプの電圧チェックをしました。

各分の電圧は回路図のとおりでした。

 

真空管(12AX7)の動作点です。

 

FET2SK10582SJ162)の動作点です。

 

 

【バックナンバー】

MC900053825[1] 2021年1月17

MC900053825[1] 2021年1月11

MC900053825[1] 2021年1月3

MC900053825[1] 2020

MC900053825[1] 2019

MC900053825[1] 2018

MC900053825[1] 2017

MC900053825[1] 2016

MC900053825[1] 2015

MC900053825[1] 2014

MC900053825[1] 2013

MC900053825[1] 2012

MC900053825[1] 2011